producten
Energieopslag 51.2V 100Ah 200AH Wall&Rack 2 In 1 gemonteerde LifePo4 Solar Lithium -batterij met Smart LED -scherm&Mobiele app
Vijf voordelen van producten
- *6000 tijd lange cycle -levensduur
- *Wall&rack 2 in 1 gemonteerd
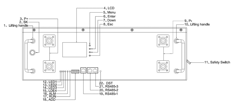
- *Smart Display&mobiele app
- *Intelligente 100A BMS en temperatuurbescherming
- *Fabriek direct, concurrerende prijs
Productdetails
51.2V 100A 5.12kWh Lifepo4 Battery Pack
Model: GSK-5.12kWh
Battery pack: 16S1P
Size (L*W*H)mm: 516x490x158mm
net weight (kg): oublemen box maat:
560120; 530x200mm
battery Type:lifepo4 \\ n &#
rated Voltage:51.2V
Rated Power:5.12kWh
Nominal Capacity:100Ah
actuele capaciteit:≥100Ah
51.2V 100A5.12KWH LIFEPO4 batterij
-
model:
gsk10.24kWh &# battery pack:16s1p
size (l*w* H) mm:
540120; 482x280mm
net gewicht (kg):about 81kg &# gross:
about 86kgbox maat:
660120; 630x380mm
battery type:lifepo4 \\ n
-
n
rated spanning:51.2v
rated power:10.24kwh
nominal capaciteit :200Ah
Actual capacity:≥200Ah-
Operating Voltage Range:40V58.4V-
standard oplaadstroom:30a
maximum continu laadstroom:100a
maximum continu ontlading stroom:100A
Peak Discharge Current:200A(2S)
Charge cutoff voltage:58.4V -
Discharge cutoff voltage: 38.4V-
Internal Resistance (mΩ):≤20mΩ -
battery cyclus leven: 6000 keer: ((0,5C standaard lading en ontlading) WaterProofniveau:
ip20-- -cooling modus :-Natural Cooling --Humidity:4585%RHAtmospheric Pressure:
86106 KPA
transport Voltage:
53v


communicatiemethode:rs485
arge -temperatuur:
charge -temperatuur:
charge -temperatuur:charge -temperatuur:charge -temperatuur:charge -temperatuur:
Dongguan Guoshikang Technology Co., Ltd
Contactpersoon: info
afdeling: Busniess Department
Post: Service
Vaste telefoon: +86-0769-23168388
bedrijfsadres: Building B, ChangxingZhigu Industrial Park, No.16, Xingfeng Street, Changlong Village Huangjiang Town, Dongguan, Guangdong Province, China
Website: gskbattery.invipb2b.com
voorgaand: Lithium Power Wall Mounted 5KWH 1...
volgende: Stapelbare energie thuisopslag 10...
-
EVE lifepo4 batterij 280A 3.2v prismatische batterijcel e...
-
51.2V 100A LIFEPO4 Stapelbaar batterij met slim intellige...
-
Stapelbare energie thuisopslag 10 kwh batterij lithium ba...
-
Gotion 3.2V 50A LifePo4 Prismatische cel Solar -energieop...
-
LifePo4 Battery 48V 150A Lithium Goft Cart Batterij Oplaa...
-
Autobatterij 36V Lithium Goft Battery 36V 150A 180A LIFEP...
-
Energieopslagsysteem 51.2V 280A Vloeropslag Batterij Life...
-
Solar Battery All in One 51.2V 200A Energy Storage LifePo...

